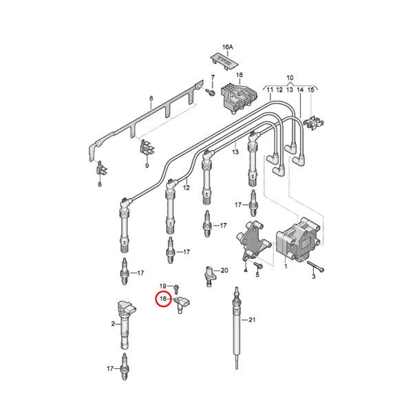
AUDI アウディ A1 A3 8X 8P カムシャフト ソレノイドバルブ/コントロールバルブ 03C906455A
[A1(8X)]2010年式〜[A3(8P)]2003〜2013年式■AUDI アウディ カムシャフト ソレノイドバルブ/コントロールバルブ■純正部品番号:AUDI&VW:03C906455A■交換時期の症状:Oリングからのオイル漏れ、吹け上がりが悪い、ハンチング等のエンジン不調■管理番号:03C906455A■Search word:電磁弁 ソレノイド弁 オイルコントロールバルブ■適合確認について適合車種欄の該当車両であっても不適合の場合がありますので、必ず純正品番号又は部品番号をご確認の上、ご購入ください。適合の確認は、お問い合わせフォームに【年式】【グレード】【車台番号全桁】を記載いただき、送信/ご連絡ください。お又はFAXでの適合確認もお受付しております。適合確認をせずにご購入された場合、不適合でも返品・交換となります。






