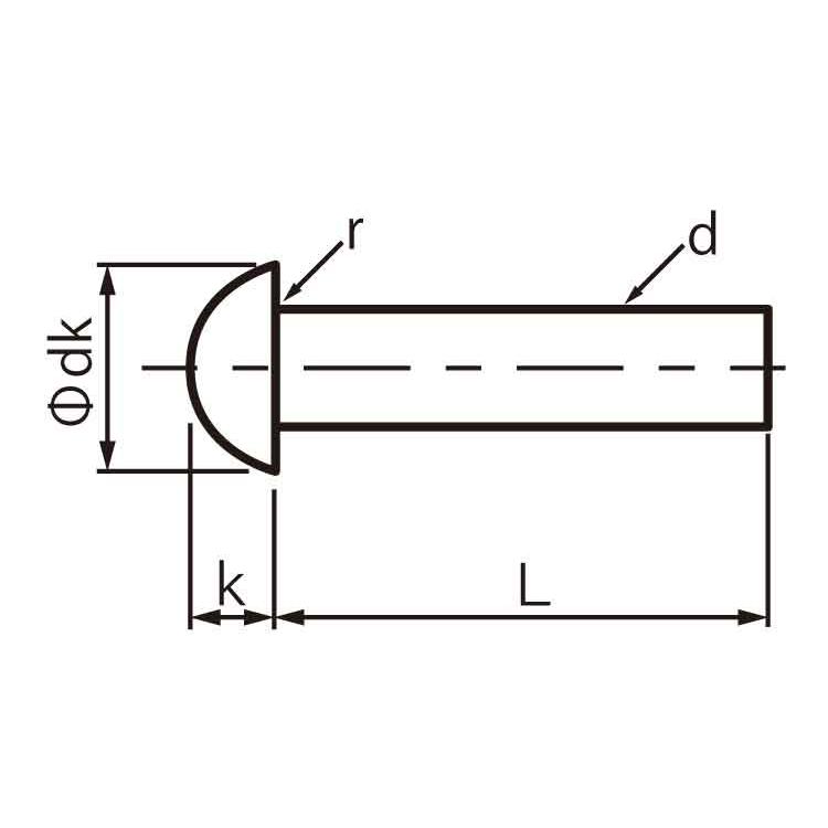
丸リベット【500個】CU マルリベット 5 X 15 銅(CU)/生地(または標準)

商品画像は白黒のため、実際の商品とは異なります。