六角ボルト(半 8 X 65 鉄 ダクロ 【200本】
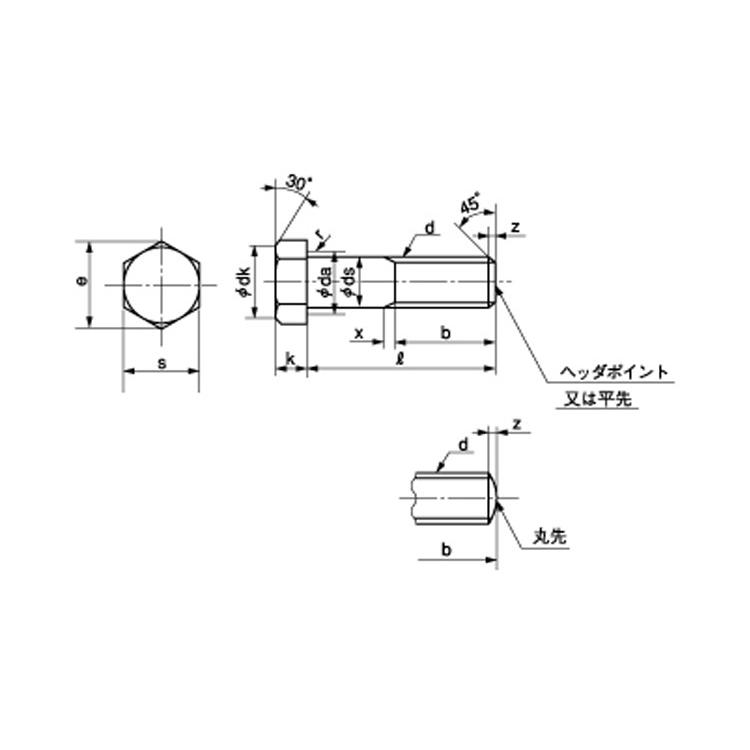
一般的に、ナットと一緒に使われるねじのことをボルトと呼んでいます。その中でも代表的な六角ボルトは、正六角形の頭を持ち、レンチやスパナなどを使って締め付けます。すりわりや十字穴のねじより、強く締め付けることができます。●全ネジ=頭部以下が全てネジが切られているボルトです。(長さ30mm以下が目安です)●半ネジ(中ボルト)=ネジ先から途中までしかネジが切られていないボルトです。※半ネジの計算方法(目安です)・L=129まで ねじ径(太さ)×2+6・L=130〜219 ねじ径(太さ)×2+12・L=220〜 ねじ径(太さ)×2+25 ・例:M10X250半ネジのネジ部はL(長さ)が220以上なので10X2+25=45mmとなります。"}


